新疆维吾尔自治区教育厅

政府信息公开

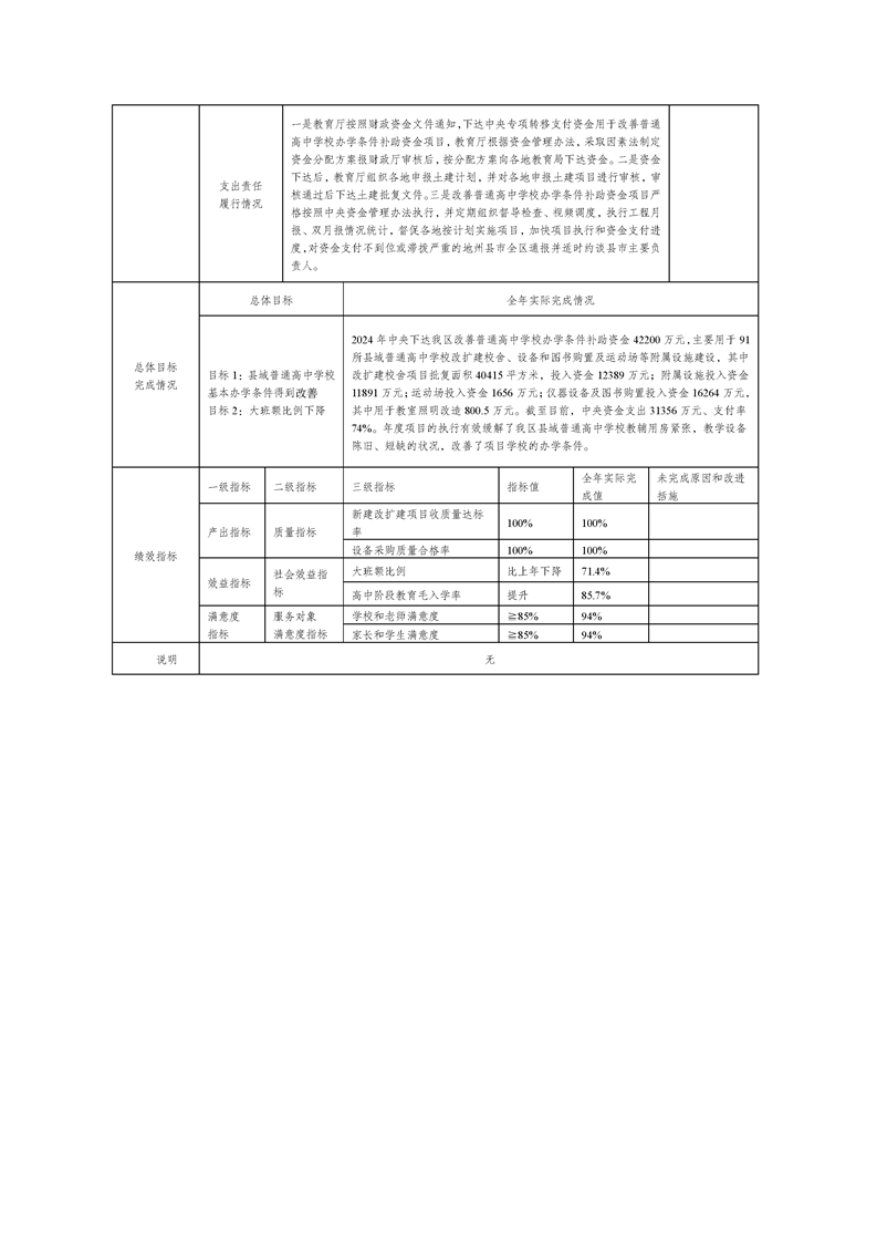
新疆维吾尔自治区改善普通高中学校办学条件补助资金金转移支付2024年度绩效自评报告

发布时间:2025-03-28 08:37   浏览次数:  次   【字体:


















按回车键在新窗口打开无障碍说明页面,按Ctrl+~键打开导盲模式。
Baidu
map