新疆维吾尔自治区体育局
政府信息公开
政府信息公开指南
政府信息公开制度
法定主动公开内容
政府信息公开年报
依申请公开
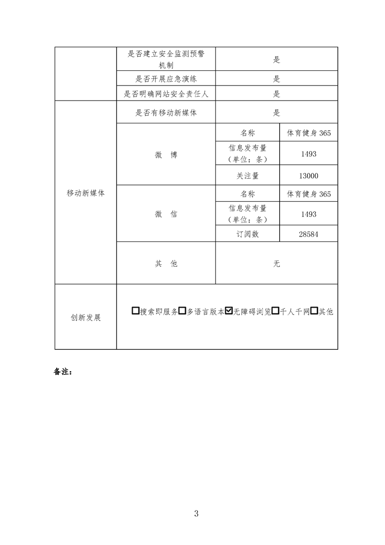
自治区体育局2024年度政府网站工作年度报表
发布时间:2025-01-23 浏览次数:
【字体:
大
中
小
】
附件下载:
(此件于重新编辑)
相关链接:
法定主动公开内容
map